#
客服热线:0311-85395669
资讯电话:
139-32128-146
152-30111-569
客服电话:
0311-85395669
指标

攀钢烧结二次混合机多速传动系统应用研究

浏览:|评论:0条   [收藏] [评论]

攀钢烧结二次混合机多速传动系统应用研究 何木光 …


<script language="javascript" src="zongg/ad.asp?i=15" type="text/javascript"></script>

攀钢烧结二次混合机多速传动系统应用研究

何木光  郑家树  于天齐

(攀钢炼铁厂)

摘要   本文通过对混合机制粒相关参数分析,找出了转速对混合机制粒的影响;实施多速传动,可以根据不同的混合料量水平,通过调速,使混合机的制粒效果达到较佳。

关键词   二次混合机  多速传动  研究

1前言

    在二次混合机的简体尺寸、安装倾角、加水方式、混合机内衬板等参数确定后,确定适宜的混合机转速,达到强化混合机的制粒效率、提高混合料成球率的效果,是强化烧结的措施之一。为此,攀钢在6号烧结机的二次混合机安装了多速传动系统装置和进行了二次混合机转速优化试验。

2混合机制粒性能相关参数的技术分析

21圆筒混合机内料粒运动形态与制粒性能分析

211  圆筒混合机内料粒运动形态诊断


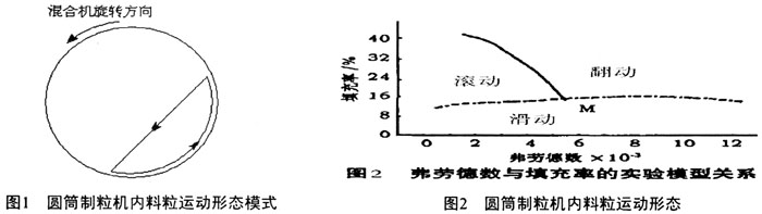
    圆筒制粒机内料粒运动形态模式见图1。圆筒制粒机内物料运动形态分为:料粒靠制粒机内壁摩擦而上升运动的输送区和料粒靠重力而向下滚流的滚动区、料粒在滚动区内制粒后进入输送区。因此,要分析制粒效果,必须求出料粒在滚动区内的移动路程,即滚动距离。

    混合机的转速决定着物料在圆筒内的物料运动状态,混合机内物料的运动状态分为3种——滑动、滚动、翻动(翻动状态包括瀑布式落下、抛射坠落等剧烈运动状态)

212圆筒混合机制粒性能参数诊断

    在实验室用圆筒混合机为攀钢烧结混合料所做的制粒模型实验结果如图2所示。3个区域交于M点。根据M点所对应的弗劳德数和填充率,就可推算圆筒混合机合适的参数。实验研究认为M点的位置应在填充率为13%~16%,弗劳德数为38x10-3 58×10。的地方。也就是说,在此参数范围内制粒效果较佳。见图21

    适宜的混合机转速还要考虑混合机的填充率,填充率是影响混合料混匀、制粒的一个重要参数。填充率过小时,产量低,且物料相互作用力小,对混匀制粒不利。填充率过大,在混合时间不变时,能提高产量,但由于混匀层增厚,物料运动受到限制,对混匀制粒也不利。

    二次混合机制粒时间不低于3min、超过4min则效果不明显3

    混合机制粒性能相关参数公式如下。

弗劳德准数按下式计算:


    混合机尺寸:φ3×14m、安装角度2,混合料动安息角37°(注:实验室检测),混合料堆比重取175tm36号烧结机生产中混合机料量变化369~431th,正常生产时40lth。调速情况下尤其是赶产量时,可以长时间上46kgm新料、23kgm的返矿,加上热返矿和除尘灰,总料量可以达到43l th

    因混合料从混合机进口漏子至混合机简体参与混合有05m的抛射距离,混合机出料口有05m混合料未参与混合,所以混合机有效长度取14-05-05=13m:检测表明,由于现在的混合料粘性强,简体壁沾料约007m,所以有效半径取15-007=143m

假设混合机转速分别为665775rmin时的理论计算结果见表l


    理论计算结果表明,混合机转速在675rpm范围内,随着混合机转速增加、混合机制粒时间缩短,当混合机转速达到75rpm时制粒时间低于3min

    根据参考文献1的结论——-土直充率为13%~16%,弗劳德数为38×10-358×l0-3,只有转速为7rpm75rpm时满足条件。而且如果烧结赶产量,料量长时间达到46kgm新料+23 kgm返矿,那么混合机在75rpm时填充率达到1637%,也就是说混合机转速必须提高,已达到最佳制粒效果。

22混合料制粒性能测定

221混合料的平均粒度计算方法

以混合料的平均粒度dcp+3mm粒级的增量和-10mm粒级的减少量来评价其制粒效果。混合料的平均粒度:


    以制粒后+3mm粒级的增量η+3来表示制粒效率,η+3值越大,表明制粒效果越好。

式中:B1—混合料中制粒前+3mm粒级含量()

    B2—混合料中制粒后+3mm粒级含量()

3二次混合机多速传动系统装置

31  6号二次混合机的慨况

    攀钢炼铁厂6号烧结机二次混合机于2002年大修改造后,烧结面积由130平方米改为1736平方米,成为炼铁厂目前为止设计最先进,烧结面积最大的烧结机,主要为新三高炉和四高炉供应烧结矿。二次混合机简体设计为¢3×14米,减速机型号为PGH800,传动比为5625,中心距为1615mm,电机为Y355L3-6,电机功率为250KW。随着高炉高产对烧结矿产质量的要求,根据上料量的波动情况,如何提高混匀制粒效果及混合机造球效率,是比较迫切的问题。根据以上分析,为此,我厂与长沙星轮传动有限公司合作,采用FPW700-5715924型星轮减速机对混合机运转速度进行调节,实现二次混合机的多速传动。

32 6号二次混合机多速传动装置的结构特点

    FPW700-5715924型星轮减速机是在大功率电机驱动机械的调速传动领域,采用双功率流、合成运动、以小调大的传动原理,将机械调速技术与电机传动技术有机结合而研发的一种高效节能型机电综合调速通用设备。分别用大功率主电机和小功率调速电机驱动,大功率主电机不必直接调速,在不停机状态下利用小功率调控电机的正反转、停机制动等运行状态与主电机传动进行功率和运动的分解或合成,即可使主机实现与工况相适应的调速运行:主要特点是:

    (1)以小调大:通过控制低压小功率电机旋向和转速,实现大功率电机驱动设备调速运行。

    (2)双向调速:根据现场实际工况和性能实现最合理的设备转速,既可以使设备筒体转速高于额定转速(7rmin)。也可以低于额定转速,实现双向调速。

    (3)具有慢速盘车功能。改变了以往的盘车方式,这种盘车方式可靠、简单。

    (4)高效节能。由行星传动直接输出,标准传动效率在95%以上,适用调速可节能5%以上。

    与圆筒混合机常用调速方式性能相比,设备费用低,运行费用更低。在一定范围设备转速不受电机转速的限制,实现恒转矩输出。且产品采用硬齿面齿轮,调速核心部件传动过程为多齿啮合,齿轮在正常工况下可免修使用,使用寿命长。

33  多速传动装置工作原理

    其原理是:通过大功率主电机和小功率调控驱动电机形成双功率流。工作时大功率主电机始终按照工况需要单方向不停地旋转,利用小功率调控电机的正反转、停机制动等运行状态与主电机传动进行功率和运动的分解或合成。见下图星轮调速技术工作示意图3

    l一主功率输入轴  2一太阳轮  3一行星轮  4—外齿  5一内齿  6—行星架  7—输出轴

8—传力轴    nc一输出转速     PK一调控电机输出功率     P—主电机输出功率     Pc—调速器输出功率

    当调控电机分别处于正转、反转、制动及主电机停止等状态时,可与主电机进行运动的分解与合成交换输出四个特定转速NgNhNtNd,其相互关系是:

     Nt+Nd=Nh

     Nh+Nd=Ng

    其中:Nt:设备最低工作转速。Ng:设备最高工作转速。Nh:中间工作转速。Nd:调控转速。

    工作时,主电机始终按工况需要单方向选装,完全靠改变调控转速的正转、反转、制动达到设备调速的目的,可以使混合机转速实现三个转速。当调控电机被制动时,主电机运转可使简体转速为中间转速。当设备检修时,主电机不允许运转,可通过调速机上的手柄使主电机停电制动,这时,只允许调控电机转速运转,达到简体漫速运转的目的。

    这种双速调控电机实现的有级调速,可使混合机的简体实现6065707580rmin五个工作转速,1005rmin两个慢速盘车检修速度。当调速电机被制动时,筒体的正常转速为70rmm,和以前的筒体运行速度一致。当设备检修时,主电机不允许运转,通过星轮调速机上的止动机构使主电机停电制动,这时调速电机运转,简体速度为0510rmin

34安装及使用情况

    此设备于2007416安装到6号二混,至今设备状况良好。系统自带稀油润滑系统,齿轮润滑良好,接触面未见磨损。系统五个转速可由岗位人员转换开关操作,操作简单,检修时使用盘车转速,提高了检修效率。

    2008210321,分别进行二次混合机转速为6ffmm65rmm7rmin75ffmin的调速工业试验。混合机转速能够调速的功能能够更好的发挥混合机的制粒功能。当一段时问内烧结矿产量压力小时,可以降低混合机转速来提高混合机填充率、延长制粒时间,强化混合料制粒,改善烧结矿质量,比如选择7rpm。当烧结矿产量压力大,如混合机维持431th的混合料料量,个别时候甚至450th的料量,这时混合机填充率较高,就要求选择较高的混合机转速使混合机填充率控制在1316%,达到较好的制粒效果,比如选择7rpm75rpm

4试验分析

41试验时间

    2008210321,分别进行二次混合机转速为6rmin65rmin7rmm75ffmin的工业试验。具体见表2


42物料搭配

    在试验期间,物料结构保持稳定。6号烧结机生产,物料搭配及冷返矿量固定,新料4245kgm,通过加撤新料来调整大矿槽料位,因此试验具有很好的可比性。

43混合料粒度组成

    从表3和图4可见,在二混后的混合料Dcp(mm)看,混合机转速7rpm6rpm006mm,比75rpm011mm,从制粒效率看,混合机转速7rpm6rpm777%,比75rpm203%。混合机转速从67rpm时,混合机转速提高制粒效率提高,转速为75rpm时制粒效率反而降低。这表明应该兼顾混合机弗劳德准数与混合机填充率。当混合机转速为。7rpm时,填充率偏低,但混合机转速较快(57rpm)、混合料能被带到一定高度,运动方式以“滚动”状态为主,滚动距离较长——制粒时间较长。有利于提高混合机的制粒效率。


44烧结机中间操作参数

    从表4可见,随着混合机转速提高,垂直烧结速度增加(机速加快、料层增厚),但超过75rpm时垂直烧结速度降低。而且,在主管负压、废气温度、20号风箱温度、料温基本相当的情况下,当混合机转速为70rpm时料层最厚,比转速为60rpm厚。7mm



    从表5及表6可见,随着混合机转速提高,烧结矿转鼓强度和粒度组成均有所改善,在混合机转速为70rpm达到最高值,进一步提高混合机转速后,烧结矿转鼓强度和粒度组成反而变差。

46烧结矿矿物组成、显微结构情况

    不同混合机转速下烧结矿的矿物组成及含量见表7。从表7可见,当混合机转速从60rpm提高到75rpm时,烧结矿矿物组成、显微结构发生了一定的变化。混合机转速从70rpm时,其烧结矿矿物组成、显微结构最好。


47烧结矿冶金性能情况

    不同转速下的烧结矿低温还原粉化性与还原性试验结果情况见表9。从表9知,混合机转速在7rpm时,其低温还原粉化率最低,比转速在65rpm187%,比比转速在75rpm132%,烧结矿还原性性最好,比转速在65rpm093%,比转速在75rpm039%。烧结混合机的转速对烧结矿低温还原粉化性与还原性性的影响明显,出现“拐点”,表明转速在70 rpm时的指标理想。


5结语

    (1)二次混合机实现有级调速运行,使简体获得6065707580rmin五个工作转速,1005rmin两个慢速盘车检修转速。具有以小调大、双向调速、高效节能、传动平稳、可靠性高、维护操作方便、慢速盘车、设备投资及运行费用较低等特点。

    (2)随着混合机转速提高、混合机制粒效率提高,进一步提高混合机转速混合机制粒效率反而降低。对6号烧结机二次混合机而言,在一定(42±lkgm)上料水平下,混合机转速为7rpm时混合机制粒效率最高。

    (3)随着混合机转速提高、垂直烧结速度增加(机速加快、料层增厚),但超过75rpm时垂直烧结速度降低。而且,当混合机转速为70rpm时料层最厚,比转速为60rpm7mm

    (4)随着混合机转速提高,烧结矿转鼓强度、粒度组成、显微结构、冶金性能改善,在混合机转速为70rpm达到最高值,进一步提高混合机转速反而变差。

    (5)新料42~45kgm6号烧结机二次混合机转速为7rpm时综合指标最好。

参考文献

1】吴力华等.《攀钢烧结混合料制粒因素的研究与优化》、《烧结球团》,1992年,P19-P22

2】《烧结设计手册》、《冶金工业出版社》,1992年,P308

3】《烧结设计手册》、《冶金工业出版社》,1992年,P308~309

延伸阅读
上一篇:半焦制备烧结烟气脱硫用活性焦
下一篇:烧结烟气脱硫技术
分享到:
[腾讯]
关键字:攀钢 烧结 二次 混合机