气力输送在电除尘灰输送中的应用实践
来源:纪国军 陈俊 季筱燕 彭坤 蔡永江 |浏览:次|评论:0条 [收藏] [评论]
气力输送在电除尘灰输送中的应用实践
纪国军 陈俊 季筱燕 彭坤 蔡永江
宝钢股份南通宝钢钢铁有限公司226002
摘要 介绍了南通宝钢钢铁有限公司电除尘灰输灰系统的改造过程,通过对气力输送装置的研究、开发、利用,解决了落后的工艺及设备设施造成的能源浪费、环境的污染、人工成本的增加。由于原有除尘灰输灰系统的工艺流程是一种粗狂、开放式的生产流程,在除尘灰的二次转运过程中产生较大的扬尘而造成严重的二次环境污染,并且工艺设备比较落后。选用气力输送装置应用在除尘灰的输送上,从气力输送本身所具有的优势来看不但能够缩短工艺流程,降低能耗和人工成本,而且将除尘灰进行全流程密封,避免了对环境的影响,解决二次污染问题。
关键词 电除尘灰 环境污染 气力输送
l前言
南通宝钢钢铁有限公司炼铁厂现有60m2烧结机一台,以及配套设施,主要包括配料设备、除尘设备等。除尘设备采用马鞍山钢铁设计研究院设计的电除尘来收集烧结矿生产过程中产生的灰尘,并存储于除尘器底部的灰仓,经过给料阀及刮板输送机将除尘灰输送到中间灰仓,再由给料阀和加湿搅拌机将除尘灰给到自卸翻斗汽车中,通过汽车运输将除尘灰二次存储在原料堆场,并参与配料循环使用j这一工艺过程就是除尘灰的回收利用过程,由于流程较长以及采用敞开方式收集、输送除尘灰,造成能源浪费、环境污染、人工成本的增加。通过对输灰系统运转过程中发现的问题进行改造,达到了节能降耗、避免环境二次污染,降低人工成本的目的。
2输灰系统运转中存在的问题
2.1环境污染
2.1.1给料过程中的环境污染
工艺流程中采用加湿搅拌后将除尘灰给到自卸翻斗车中,由于烧结电除尘灰具有难溶于水的特性,因此在搅拌过程中伴有大量的粉尘外泄,整个工作平台浓烟滚滚。工作平台与汽车灰斗有l米左右的落差,除尘灰在落入汽车灰斗的同时也会造成扬尘。
2.1.2运输过程中的环境污染
使用汽车运输时,在运输途中受气候及车辆自身密封性的影响对沿途造成环境污染,在原料堆场倾倒除尘灰时很难避免造成扬尘。
2.1.3存储时的环境污染
由于烧结配料工艺的要求,除尘灰的配比具有一定要求,必然出现除尘灰在原料堆场会有一定得积存,将会造成扬尘。另外,采用取料设备将除尘灰给到配料设备上时又是一段敞开的环境,势必造成环境的污染。
2.2能源浪费
2.2.1水资源的浪费
虽然在加湿搅拌过程加了大量的水,但是未能取得好的效果,除尘灰的加湿效果不佳。又没有有效的加湿处理手段,只得逐步加大水量,根据正常生产工况测算年耗水量达到5000吨。
2.2.2电能的消耗
加湿搅拌机是工艺过程中电机功率最大的设备,受加水因素的影响,部分的除尘灰板积在加湿机简体内很难清理,经常造成运转过程中卡堵。每次工作前与工作后都要进行一段时间的空转清理出部分积料。经测算每年的电耗在1000000千瓦时。
2.2.3柴油的消耗
汽车油耗也是一笔不小的能源消耗,2台10吨自卸卡车平均每天工作8小时,一年消耗柴油100吨。
2.3人工成本
此工艺流程决定了加湿机是整个过程中的关键部位,设备运行状态的好坏决定着整个输灰工艺流程是否能够正常运作。由于除尘灰板积在筒体内经常造成加湿机的卡堵,加湿机本身又处于一个灰尘较大的环境中运行,设备状态极不稳定。整个输灰系统虽是集中控制,为保证输灰工艺流程的正常运作,在此部位设立了操作岗位,造成了人工成本的增加。
3改造方案
针对输灰系统运转过程中出现的问题,采取了如下改进方案。
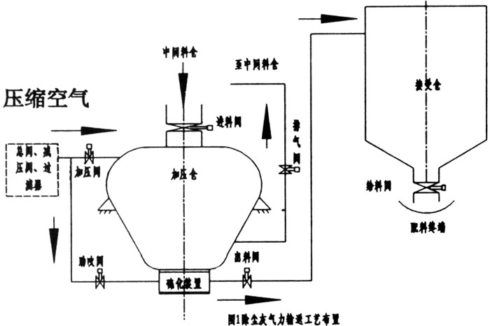
(1)分析原有工艺流程及设备情况后认为,采取一种密封装置输送除尘灰是解决运输过程中对环境污染的首要任务。但是,仅靠局部的密封措施是达不到要求的,如车厢密封、加湿出料房间的密封等等,需要的是一种全过程、全局的密封装置。正压浓相气力输送装置是目前运用于粉状物料全密封输送的一种比较先进的方案。主要原理是在一个密闭容器中将粉状物料进行加压,通过密闭管道引导物料到达指定地点。这一过程的关键真是如何使固态粉状物料流体化,解决大比重除尘灰由固态粉状转变到流体化是一个难点。全系统的工艺流程是:中间灰仓中存储的除尘灰经过进料给料阀进入加压仓(同时进料给料阀关闭),对加压仓进行加压(压力控制器反馈压力数据),出料阀门打开开始输送除尘灰(压力控制器反馈压力数据),料空后(加压仓无压力显示)关闭出料阀门,一次输灰动作完成。除尘灰经管道输送到末端接受仓存储,由自动给料阀定时给到配料终端设备上参与配料。
(2)从全局考虑输送管道的布置,将管道末端接受仓直接布置在配料系统的终端。将原先加湿机设备拆除,原先由汽车运输除尘灰和取料设备从料场取出除尘灰参与配料这两个环节得以取消,这两个环节的消除,完全消除了原先工艺过程中二次扬尘的产生。2台运输卡车也退出运输除尘灰的舞台。
(3)经过研究分析,选用中压压缩空气作为动力源,对加压仓进行加压,加压仓的阀门都采用气动控制,并采用自动控制从而大大的降低人力。
改造后工艺流程见图1

4效果
通过采取上述改造方案,除尘灰的输送流程大大的缩短,更为可观的是摒弃了旧工艺流程所带来的环境污染、能源的浪费和人工成本的节约,是新工艺、新设备淘汰旧工艺、旧设备的一个成功的范例。加压仓取代加湿机出料,输送管道取代汽车转运除尘灰,末端接受仓取代原料堆场露天堆放除尘灰,达到了改善环境、降低能耗和节约人工成本的目标。改造前后数据对比见表1。

5结束语
我们经过对输灰系统的改造后,优化了烧结工艺布置,降低了环境污染、工艺能耗和人工成本。但输灰管路存在着易磨损、堵塞的缺点,通过对管道内介质物理特性及化学成分的分析,考虑设计了一种全球形耐磨弯头以及管道拐点助吹装置。彻底解决了拐点弯管易磨损和易堵塞的难题,从而整体提高了输送管路的使用寿命。通过这次改造,对其它场合除尘灰输送装置的优化、改善积累了一定得经验。
参考文献
[1]杨伦谢一华.《气力输送工程》【M】机械工业出版社2006年出版
[2]周建刚.《粉体高浓度气力输送.控制与分配技术》【M】冶金工业出版社1996年出版
- [腾讯]
 - 关键字:无
 

 加入收藏
首页



