通钢1号高炉开炉达产实践
来源:管 军 刘本日 |浏览:次|评论:0条 [收藏] [评论]
摘 要 对通钢1号高炉开炉达产进行了总结。通过选择合适的开炉方式,及时调整选择合理的操作制度,提前组织人员培训,制定周密的准备及实施方案,实现了高炉快速达产目标。
关键词 无料钟炉顶 复合陶瓷杯炉底 顶燃式热风炉 装料制度 送风制度 热制度 造渣制度
l 引 言
通钢l号高炉,于
2 开炉前准备工作
2.1人员培训
为确保高炉顺利开炉,炼铁厂除了对值班室人员及关键岗位人员进行集中培训外,还组织生产骨干及高炉操作人员,实地参与现场设备安装和高炉本体砌筑,使操作人员尽快熟悉新设备、新工艺、新技术。
2.2制定周密的准备方案及实施方案。
此次开炉由高炉一车间和生产技术科共同制定了“1号高炉开炉前准备方案”和“1号高炉开炉实施方案”。这是在总结历次开炉经验基础上制定的,重点强调了开炉前的联动试车,管路及本体试压等项目,确保开炉时设备运转正常,保证开炉顺利达产。
2.3热风炉烘炉。
通钢1号高炉共配备3座热风炉,其中有两座顶燃式热风炉,一座改造内燃式热风炉,与高炉本体相对式排列。此次大修改造同时对2#热风炉(改造内燃式)及3#风炉(顶燃式)进行中修改造,全部更换了内部格子砖及冷热风阀,并增设了焦炉煤气管道,采用高炉煤气配加焦炉煤气混合烧炉,以提高风温水平。因此次热风炉系统属中修改造,外部炉壳及内部大墙没有更换,考虑到新旧砖衬及砌体的膨胀系数差别较大,所以热风炉烘炉是一项非常严谨的工作。车间内部根据相关资料,结合热风炉各部位耐火材料的理化性能及生产实际情况,制定了通钢1号高炉热风炉烘炉方案。烘炉曲线如下图所示:
2.4高炉烘炉。
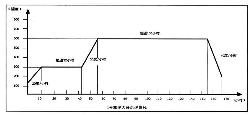
本高炉采用热风烘炉,重点烘烤炉底和炉缸,计划烘炉7天。烘炉的目的是缓慢驱赶高炉砌体内的结晶水,物理水,使耐火材料砌体均匀、缓慢而又充分膨胀,避免水分突然大量蒸发,产生爆裂和裂缝,从而导致耐火材料砌体损坏。避免在耐火材料内部产生热应力集中,或晶格转变导致砌体损坏,在一定程度上消除冷却设备的内应力。炼铁厂根据1号高炉所选用的耐火材料的特点,由生产技术科和高炉一车间共同制定了详细的烘炉方案和烘炉曲线。见下图:

烘炉前,制作烘炉导向管六套,其中短导向管五套,长导向管一套。五套短导向管安装在1#、3#、7#、9#、11#风口,一套长导向管安装在5#风口。各导向管周围用角钢做支架,并横向焊拉筋,固定牢固。铁口喷吹管为两段,每段长
3 开炉料及开炉参数的选择。
3.1参数设定
全炉焦比
3.2生铁成分设定
[Si]=2.5%,[Mn]=0.50%,[P]=0.08%,[S]=0.03%,[C]=4.30%,[Fe]=93%。
3.3开炉料配比与成分。
焦批

3.4填充方式。
炉腹下70%容积至炉缸死铁层全部容积63.

3.5装料制度选择。
KK↓PPP↓,料线
3.6送风制度的选择。
本高炉设计共12个风口,风口小套尺寸确定为φ
3.7喷吹铁口。
将焦炉煤气引到铁口点燃作为火种,使铁口喷吹的煤气确保被点燃,防止煤气中毒。铁口喷吹要确保畅通,不畅通时要用人工捅开,确认喷吹见渣时堵上铁口。点火送风后12小时左右出第一次铁。
4 开炉操作
4.1

4.2开炉期间各项制度调整
4.2.1热制度调整
开炉后,在确保炉缸温度充足后,按计划逐步有序降低炉温,促进了炉况的进一步稳定。先后把焦碳负荷由2.83增至3.23,通过迅速增加焦碳负荷,9日炉温降至1.05%,10日达到0.50—0.60%,并保持稳定。炉缸工作状态大幅度改善,对高炉的顺行起到了一定的促进作用。
4.2.2送风制度调整
开炉前期炉温基础较高,炉内透气性较差,风量提速缓慢。视此情况,果断逐步捅开风口,增加进风量,保证了足够的鼓风动能。并适当提高炉项压力,促使形成稳定的煤气流分布。
4.2.3装料制度调整
开炉初期规定装料制度为:KK33/10↓PPP33/8↓,风口全部捅开后,炉况顺行,边缘煤气流呈现过盛,为进一步发展中心煤气流,提高煤气利用,增加焦碳负荷,及时把矿角外扬1度,装料制度变为:KK33/10↓PPP34/8↓。
4.2.4造渣制度调整
开炉后,根据实际渣铁流动性,逐步减少灰石配比,适当降低炉渣碱度,并通过提高热风温度进一步提高渣铁物理热,来达到改善渣铁流动性的目的。从而改善了渣铁分离效果,更有利于炉况顺行。
5 结 语
通钢1号高炉开炉达产,是通钢炼铁厂历次小高炉开炉中达产最快、最成功的一次。开炉期间,设备事故少,为今后高炉开炉达产工作奠定了坚实的基础。其主要经验有:
5.1快速捅开风口。
开炉后34小时捅开全部风口,快速增加焦碳负荷生产制钢铁,为快速强化冶炼提供保证。
5.2筹备工作组织到位。
设备安装通过严抓细管各环节,建立了严格的验收制度,并层层落实到位。
5.3操作人员和生产骨干的提前培训,收到良好的效果。
通过现场学习各系统设各的安装及性能测试,给开炉工作提供了充足的技术保障。
5.4炉前各系统设备有足够的单体及联动试车,大大降低了开炉期间的设备故障率。
5.5根据实际情况,选择合适的开炉方式、开炉料及开炉参数是开炉顺行的保证。
- [腾讯]
- 关键字:无

加入收藏
首页





